入气口径:1/4"
品牌:巨霸PUMA
产地:台湾
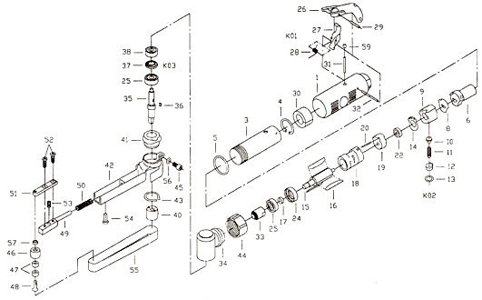
美国巨霸气动纱布环带机AT-7011工具分解图如下:
品牌:巨霸PUMA
产地:台湾
美国巨霸气动纱布环带机AT-7011工具分解图如下:

卡尼尔工业设备提供气动环带机及其他各种进口品牌(博士气动工具、巨霸气动工具、黑牛气动工具、日本信浓气动工具、台湾西瑞气动工具)的气动工具系列,工具种类齐全,无论您是要选购气动扳手、气动研磨机、气动刻磨机、气动砂轮机、气动吹尘枪、气动铆钉枪、气动钻、锤、气动拉帽枪等,我们都能为您推荐最合适您的那一款,欢迎选购!卡尼尔用心,用户放心!

1.如阁下对AT-7011 气动纱布环带机价格和使用方法等有需求时,我们的客服人员将为阁下找到解决AT-7011 气动纱布环带机问题的方法。
2.我们将根据阁下与我们签订的合同提供AT-7011 气动纱布环带机保修及AT-7011 气动纱布环带机终身售后维修服务,提供后期技术支持。
3.我们将对AT-7011 气动纱布环带机提供免费送检,阁下在签收快递前请详细核查AT-7011 气动纱布环带机资料信息。
4.阁下有任何产品问题请致电400-066-9915。
5.请记住我们的网址:www.ks3s.cn