砂轮规格 :
4″/100 (mm)
转速 :
13000 (rpm)
平均耗气量 :
2.3 (cfm)
进气口径 :
1/4 (PT)
重量 :
0.95 (kg)
工具长度 :
190 (mm)




特点:
轻巧、操作简便
附有调节开关、可配合作业目的控制速度
用途:
金属加工作业去除毛头、倒角各种研削作业
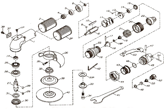
DR-2501L气动砂轮机 工具分解图:

DR-2501L气动砂轮机 工具分解图:


卡尼尔工业设备提供气动砂轮机及其他各种进口品牌(博士气动工具、巨霸气动工具、黑牛气动工具、日本信浓气动工具、台湾西瑞气动工具)的气动工具系列,工具种类齐全,无论您是要选购气动扳手、气动研磨机、气动刻磨机、气动砂轮机、气动吹尘枪、气动铆钉枪、气动钻、锤、气动拉帽枪等,我们都能为您推荐最合适您的那一款,欢迎选购!卡尼尔用心,用户放心!
友情提示1.如阁下对DR-2501 气动砂轮机价格和使用方法等有需求时,我们的客服人员将为阁下找到解决DR-2501 气动砂轮机问题的方法。
2.我们将根据阁下与我们签订的合同提供DR-2501 气动砂轮机保修及DR-2501 气动砂轮机终身售后维修服务,提供后期技术支持。
3.我们将对DR-2501 气动砂轮机提供免费送检,阁下在签收快递前请详细核查DR-2501 气动砂轮机资料信息。
4.阁下有任何产品问题请致电400-066-9915。
5.请记住我们的网址:www.ks3s.cn
| 
